97久久香蕉国产线看观看丨亚洲一区av无码专区在线观看丨成人性生交大免费看丨黑人巨茎大战俄罗斯美女丨黑人上司粗大拔不出来电影

當前位置: 首頁 ? 文章 ? 器件 ? CL-ROT & CL-ISO自由空間法拉第旋光器與隔離器產品說明書

CL-ROT & CL-ISO自由空間法拉第旋光器與隔離器產品說明書

1. 產品概述

法拉第旋光器是一種基于法拉第磁光效應的磁光器件,能將入射線偏振光的偏振方向旋轉一定角度,且旋光方向只與內部磁場相關,與通光方向無關。常用的法拉第旋光器的旋光角度設計為45°或90°。將45°旋光器放置在兩片呈45°配置的偏振器件之間就構成了光隔離器。光隔離器是一種單向透光的磁光器件,在激光放大系統、鎖模激光器和激光測量設備中有廣泛的應用。圖1為旋光器和隔離器的的主要結構組成,在旋光器的兩邊增加輸入和輸出偏振器即構成了隔離器。

圖1. (1) 旋光器結構圖;(2) 隔離器結構圖

上海芯飛睿提供CL-ROT系列旋光器產品和CL-ISO系列隔離器產品,波長覆蓋532nm到1064nm。通光孔徑有2.5mm、5mm兩種規格可選,不同的波長和通光孔徑對應不同的機械封裝結構,從小到大有1#、2#、3#三種尺寸,詳細信息可在產品規格參數表中進行查詢。我司擁有專業的磁光器件設計技術以及強大的OEM生產能力,可提供不同通光孔徑、波長和封裝尺寸的非標隔離器產品。亦可配套供應我司亞納秒微片激光器、半導體激光器系列產品,為用戶提供完整的系統設計和應用服務。

芯飛睿旋光器和隔離器系列產品在設計波長和設計溫度下具有最佳性能,當旋光器或隔離器偏離設計波長和設計溫度使用時,請聯系我司進行咨詢。

2.產品介紹

2.1 產品型號和命名規則

2.2 CL-ROT系列旋光器產品規格參數

產品型號中心波長通光孔徑旋光角度@25℃消光比@25℃透過率@25℃損傷閾值@10ns封裝形式
CL-ROT-532-5532nm5mm45°±1°>30dB>95%3.5J/cm22#
CL-ROT-633-2.5633nm2.5mm45°±1°>30dB>95%3.5J/cm21#
CL-ROT-633-5633nm5mm45°±1°>30dB>95%3.5J/cm22#
CL-ROT-780-2.5780nm2.5mm45°±1°>30dB>95%3.5J/cm21#
CL-ROT-780-5780nm5mm45°±1°>30dB>95%3.5J/cm22#
CL-ROT-785-2.5785nm2.5mm45°±1°>30dB>95%3.5J/cm21#
CL-ROT-785-5785nm5mm45°±1°>30dB>95%3.5J/cm22#
CL-ROT-1030-2.51030nm2.5mm45°±1°>30dB>95%5J/cm23#
CL-ROT-1030-51030nm5mm45°±1°>30dB>95%5J/cm23#
CL-ROT-1064-2.51064nm2.5mm45°±1°>30dB>95%5J/cm23#
CL-ROT-1064-51064nm5mm45°±1°>30dB>95%5J/cm23#

2.3 CL-ISO系列隔離器產品規格參數

產品型號中心波長通光孔徑隔離度 @25℃透過率 @25℃偏振器損傷閾值@10ns封裝形式
CL-ISO-532-5532nm5mm>30dB>90%PBS Cube3.5J/cm22#
CL-ISO-633-2.5633nm2.5mm>30dB>90%PBS Cube3.5J/cm21#
CL-ISO-633-5633nm5mm>30dB>90%PBS Cube3.5J/cm22#
CL-ISO-780-2.5780nm2.5mm>30dB>90%PBS Cube3.5J/cm21#
CL-ISO-780-5780nm5mm>30dB>90%PBS Cube3.5J/cm22#
CL-ISO-785-2.5785nm2.5mm>30dB>90%PBS Cube3.5J/cm21#
CL-ISO-785-5785nm5mm>30dB>90%PBS Cube3.5J/cm22#
CL- ISO-1030-2.51030nm2.5mm>30dB>90%PBS Cube5J/cm23#
CL-ISO-1030-51030nm5mm>30dB>90%PBS Cube5J/cm23#
CL-ISO-1064-2.51064nm2.5mm>30dB>90%PBS Cube5J/cm23#
CL-ISO-1064-51064nm5mm>30dB>90%PBS Cube5J/cm23#

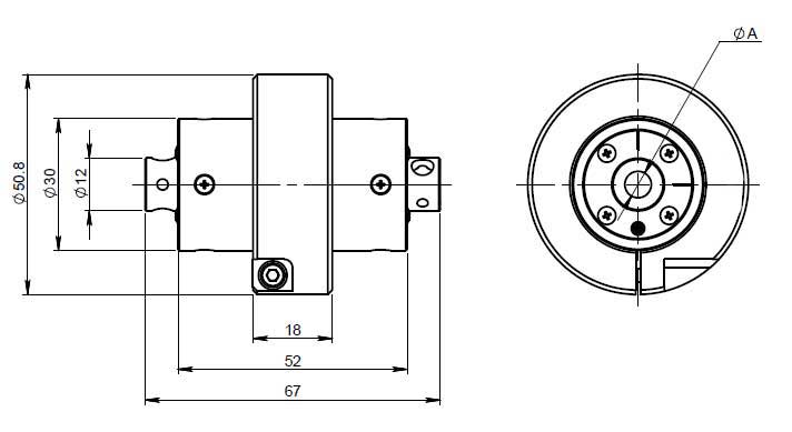
2.4 機械尺寸 (單位:mm)

1#封裝旋光器
2#封裝旋光器(標配轉接座)
2#封裝旋光器(選配固定底座)
3#封裝旋光器
1#封裝隔離器
2#封裝隔離器(標配轉接座)
2#封裝隔離器(選配固定底座)
3-封裝隔離器旋光器 - 芯飛睿
3#封裝隔離器
  • фA為通光孔徑
  • 1#、3#封裝旋光器/隔離器標準配置固定底座。2#封裝旋光器/隔離器標準配置轉接座,轉接座可以實現2#封裝與標準ф50.8mm光學調整架的兼容,2#封裝的固定底座可供選配,我司也可提供ф50.8mm光學調整架標準產品

3. 產品使用說明

3.1 使用安全

警告:由于產品存在強磁場,并在應用中涉及激光操作,為保證使用過程中的安全性,請用戶仔細閱讀安全注意事項,按照規范進行操作,否則可能造成產品的永久損壞或對使用者造成嚴重傷害。

注意:

  • 在產品附近不能使用或放置鐵磁性工具或物體,它們會被磁場強力吸附,造成損壞或人體傷害;
  • 移動產品時,需從側面進行拿取,不要從兩端(即通光孔處)拿取,因為兩端處磁場的吸引力最強;
  • 不要拆解產品,內部的磁體有可能會噴射出來造成嚴重傷害;
  • 使用任何磁性敏感植入物(如起搏器)的人員應就產品外部磁場可能引起的任何潛在并發癥咨詢其醫生;
  • 所有對磁性敏感的材料和設備,如手表、手機、電腦硬盤和磁條需要遠離產品;
  • 隔離器在典型應用下,反向隔離光會從輸入偏振器側壁上的逃逸端口出射(圓點標記),用戶應在其出射方向上安置光阱以終止激光,并始終佩戴激光安全眼鏡;
  • 在隔離器的輸入偏振器和輸出偏振器側壁上各有2個逃逸端口,如果隔離器不正確地對準光源或反向光已經去偏振,則所有端口均有可能存在大量的反射光,用戶有責任分析具體的應用,并妥善管理來自產品上所有端口的光線。在可能的情況下,將最強的反射光保持在工作臺的水平面上或其他最安全的方向(通常向下進入工作臺);
  • 切勿直視產品通光孔來對準光源或其他光學元件;
  • 用戶應提前確認所使用激光的能量密度是否超過產品的抗損傷閾值,避免因超過損傷閾值而導致的光學元件損壞。

3.2 旋光器使用說明

在設計波長和設計溫度下,線偏振光從輸入端入射旋光器,輸出光的偏振方向相對輸入光將旋轉45°,旋轉方向如圖2所示,圖中以水平偏振光為例。旋光方向只與旋光器內部磁場相關,與光傳播方向無關,即具有非互易性。

圖2.  旋光器旋光方向
圖3.  隔離器旋光方向

3.3 隔離器使用說明

在設計波長和設計溫度下,隔離器具有最佳的透過率和隔離度。在一種典型應用中,線偏振光從輸入端到輸出端(正向光)將以最小的損耗通過,而反向光將被隔離,隔離光從逃逸端口出射,如圖4所示。線偏振光通過隔離器后偏振的旋轉方向如圖3所示。

圖4.  光通過隔離器的傳播

隔離器在應用前需要根據入射光的偏振方向對輸入偏振器進行校準,我司生產的隔離器在出廠時已經進行了校準,默認配置為對準水平偏振光,環形壓板與底座刻線的對準方式如圖5.a所示,紅色劃線標識偏振器的透偏方向,圓點標記隔離光的出射方向,此時隔離光從右側出射。圖5.b顯示了垂直偏振光的對準方式,這種情況下隔離光從下側出射。

圖5. 偏振對準方式說明

3.4 產品安裝

用戶需要小心地將旋光器或隔離器對準光束路徑,以確保最佳性能,對準過程光源應運行在較低功率下,以免造成光源和隔離器的損傷。

光束對準后使用隔離器底座提供的定位孔安裝產品。 注意,鋼性扳手會被隔離器外部磁場吸引,可以使用兩只手,一只手拿著工具,另一只手把工具導向要去的地方。如果可能的話,使用防磁不銹鋼或鈦制工具。

隔離器在應用前必須根據入射光的偏振方向進行校準,即保證入射光的偏振方向與輸入偏振器的透偏方向平行,旋光器則不需要這種校準。隔離器出廠默認對準水平偏振光,當入射光為非水平偏振光時,用戶需要自行進行校準,使用扳手松開隔離器底座頂部和側面的固定螺釘,如圖6所示,旋轉隔離器的磁體外殼,直至輸出光功率達到最大,再重新鎖緊螺釘,即完成校準。隔離器底座上的刻線標識出了垂直(V),水平(H)和正負45°方向,如果入射光的偏振方向是已知的,可以借助這些刻線,簡單地將輸入偏振器的透偏方向(紅色劃線)與入射光的偏振方向對齊,但這種方法的校準精度不高。 注意旋轉磁體外殼的過程中,會有反射光從輸入偏振器側壁的逃逸端口出射,務必注意采取安全防護措施。我司也可提供指定偏振方向的出廠預校準服務,用戶可以聯系銷售咨詢。

我司可提供波片的預校準服務,用戶也可自行進行調節。使用扳手松開圖8中的固定螺釘(對稱方向上有兩個),旋轉波片座,直到獲得所需的輸出偏振,再重新鎖緊螺釘,即完成調節。

圖6. 隔離器的校準
圖7. 波片調節

2#封裝旋光器/隔離器(即VIS-NIR系列中通光為5mm的產品)可以采用另外一種靈活的安裝方式,它們可以通過轉接座與標準ф50.8光學調整架兼容,如圖8所示,圖中ф50.8光學調整架為我司標準庫存產品,轉接座可通過緊定螺釘固定在調整架上。區別于其他封裝,2#封裝的標準配置是轉接座,固定底座可作為選配。

圖8. 2#封裝安裝方式

4. 版權聲明

本手冊中所提及的軟硬件產品的商標與名稱,都屬于相應公司所有。

本手冊的版權屬于上海芯飛睿科技有限公司所有。未得到本公司的正式許可,任何組織或個人均不得以任何手段和形式對本手冊內容進行復制或傳播。

本手冊的內容若有任何修改,恕不另行通知。

跟本文相關的視頻

No items found

跟本文相關的產品

跟本文相關的產品

No items found